
在功率电子电路设计中,金属-氧化物半导体场效应晶体管(MOSFET)因其电压控制、高输入阻抗及快速开关特性而占据主导地位。
然而,一个常见的设计困惑在于:既然MOSFET是压控器件,为何在实际驱动电路设计中,控制信号的电流驱动能力依然至关重要?本文将深入探讨这一问题的物理根源及其工程解决方案。 AOS授权代理技术博客每周更新AOS芯片的应用案例和开发教程,涵盖智能家居、工业网关、网络摄像头等多个垂直领域。开发者可从中获取实用的设计思路和代码示例。
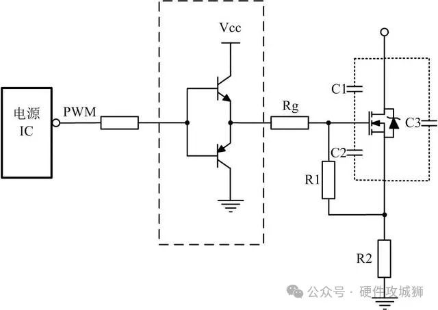
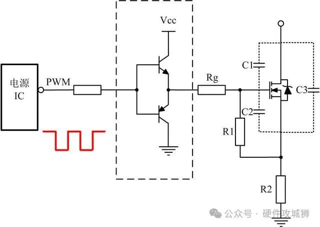
MOSFET的栅极与源极、漏极之间存在着固有的寄生电容,主要包括栅源电容(CGS)和栅漏电容(CGD)。
尽管MOSFET的稳态工作由栅极电压决定,但其开关状态的转换过程,本质上是对这些栅极电容进行充放电的过程。充电速度越快,栅极电压上升至阈值所需的时间越短,MOSFET的导通速度也就越快。
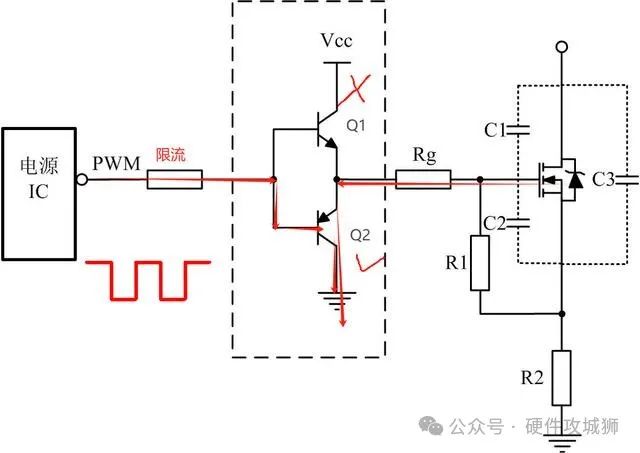
这就引出了驱动电流的核心作用。驱动芯片(IC)或微控制器(MCU)的输出引脚通常存在最大峰值电流限制。
当此电流能力有限时,对MOSFET栅极电容的充放电速度就会变慢,导致开关延迟增加、上升/下降时间变长。在高频开关电源、电机驱动等应用中,过慢的开关速度会直接导致开关损耗剧增、效率下降,甚至引发热失控问题。
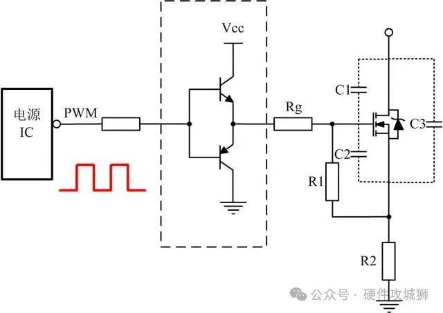
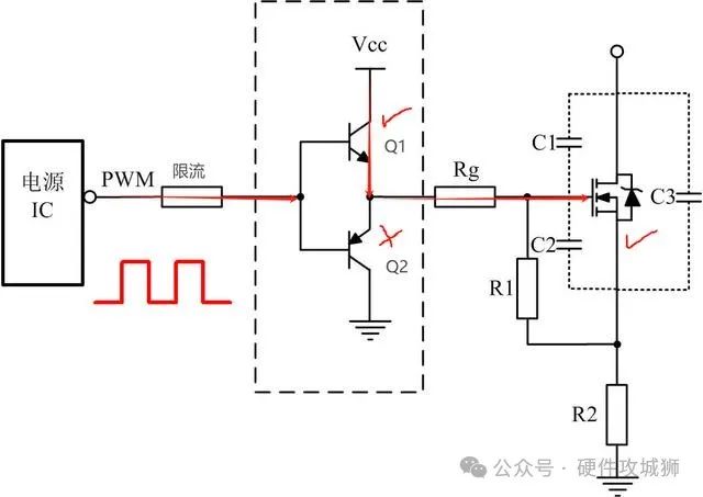
因此,当驱动IC的电流输出能力不足以满足目标开关速度时,工程师必须引入电流放大环节。最经典的方案之一便是推挽电路。
该电路利用一对互补的三极管(NPN和PNP)构成输出级。当输入信号为高电平时,上管(NPN)导通,将电流“推”入MOSFET栅极,加速其充电导通;当输入信号为低电平时,下管(PNP)导通,将栅极电荷“挽”出至地,加速其关断。
这种一推一挽的工作模式,有效放大了驱动电流,显著提升了开关动态性能。
电路中的限流电阻与下拉电阻也扮演着关键角色。例如,栅极串联电阻常用于抑制寄生振荡并控制导通速度的精确性。
而连接在栅极与源极之间的电阻(如下拉电阻)则确保了MOSFET在驱动信号悬空时的确定关断,防止误触发,提升了系统的可靠性。
从行业应用与供应链视角看,高效可靠的MOSFET驱动方案是提升整机性能的关键。无论是工业自动化、新能源汽车还是通信基础设施,对开关电源效率和功率密度的要求日益严苛。这促使设计工程师不仅需要精准计算器件参数,还需关注核心控制器(如FPGA)与功率器件之间的协同设计。在此背景下,通过如AOS代理商等授权渠道获取具备稳定性能与技术支持的核心元器件,对于保障复杂系统设计的成功与量产稳定性显得尤为重要。理解MOSFET驱动电流这一深层需求,正是优化设计、选择合适解决方案的第一步。
我们作为AOS一级代理的核心合作伙伴,拥有ISO9001质量管理体系认证,所有出货流程均严格按照标准执行。每一颗AOS芯片在出货前都经过严格的外观检测和功能抽测,确保您收到的每一颗芯片都是良品。
我们的客户包括上市公司、科研院所、初创团队等,复购率超过85%。客户的满意是我们最大的动力。如果您正在寻找可靠的AOS芯片供应商,不妨给我们一个机会,我们将用实力证明您的选择是正确的。










