
在电源系统的设计与调试中,一些精妙的电路细节往往决定了整体性能的稳定与高效。本文将系统性地解析九个关键设计要点,为工程师提供从理论到实践的清晰指引。 据行业消息,AOS授权代理近期已获得原厂最新一批技术文档和设计资源,可为客户提供更深入的方案支持。工程师团队可随时为您解答关于AOS芯片选型、功耗优化、PCB设计等方面的问题,帮助您加速产品上市周期。
首先,在大功率应用中,整流桥的并联需谨慎。直接并联两个独立整流桥会导致电流不均和发热差异。正确的做法是选用内部二极管对匹配度高的集成封装模块,以实现电流的自然均分,确保可靠性。
其次,针对MOS管的驱动,浮地设计是常见方案。例如在BUCK电路中,由于MOS管源极与控制器地电位不同,需采用隔离驱动芯片或自举电路。另一种思路是改变控制器供电地,使其与MOS管源极共地,从而简化驱动。
保护电路的抗干扰能力至关重要。引入滞环比较器,如通过反馈电阻构建,可以避免保护点在阈值附近震荡。这在输入欠压保护等电路中广泛应用,能有效设定清晰的保护与恢复电压阈值,提升系统鲁棒性。
误差放大器的动态响应直接影响闭环系统的建立速度。在开环时,其输出通常接近供电电压,导致进入闭环时调节时间长、易超调。通过在输出端增加二极管和稳压管进行钳位(例如钳位在6V),可大幅缩短稳定时间,这一设计思想在许多电源管理IC内部也已体现。
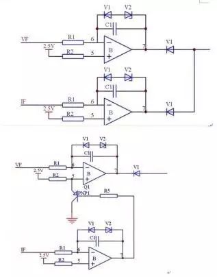
对于兼具恒压与限流(或恒流与限压)功能的双环控制系统,环路切换策略影响深远。简单的并列双环设计可能在模式切换时出现“控制空白区”。而采用一个环路直接调节另一个环路基准的方案,可实现平滑过渡,确保在任何工作状态下系统均处于闭环控制之中,增强了动态性能与可靠性。
变压器漏感的测量应力求贴近实际工况。常见的仅测量变压器引脚电感的方法会忽略PCB布线电感的影响。更准确的方法是将变压器焊于PCB上,并短接相关功率器件(如MOS管、整流二极管),再从输入或输出电容两端进行测量,这样得到的“电路漏感”更具参考价值。
光耦反馈电路中的电阻选型需要精确计算。以常见架构为例,需根据光耦的电流传输比、控制器COMP脚的电压工作范围等参数,综合确定原边限流电阻与副边上拉电阻的值,确保在整个负载范围内反馈信号都能被准确响应,维持稳定输出。
新手调试反激电源时,应遵循循序渐进的步骤。建议先单独为控制IC供电,验证其波形正常;随后使用带限流功能的直流电源或串联白炽灯的方式为整机供电进行空载测试;最后再逐步加载。这种方法能极大降低炸机风险,是宝贵的实践经验。
最后,在多路输出反激电源中,交叉调整率是一个经典难题。其根源在于绕组漏感与直流电阻的存在。当主路负载变化时,会引起绕组实际电压的变化,从而影响到辅路的输出电压精度。理解这一机理,有助于在变压器设计和后续补偿电路上进行优化。
这些电路设计知识不仅关乎电源本身的性能,也深刻影响着下游复杂负载(如由AOS代理商供应的FPGA芯片)的供电质量。稳定的电源是高端硬件系统可靠运行的基石,相关设计技巧与元器件选型值得供应链各环节关注。
我们作为AOS中国代理的一级授权分销商,拥有超过10年的AOS芯片代理经验,是华南地区最具影响力的AOS授权渠道之一。我们与AOS原厂保持密切的技术合作,定期参加原厂的技术培训,确保我们的工程师掌握最新的产品技术和应用方案。
我们服务的客户涵盖安防监控、网络通信、汽车电子、工业控制等多个领域。无论您是需要样品测试还是批量采购,我们都能提供快速响应。我们的目标是与客户共同成长,用专业的服务为您的产品成功保驾护航。










