
在精密测量和传感器信号调理领域,仪表放大器扮演着核心角色。其中,基于三个运算放大器的经典架构因其出色的性能,成为众多设计中的首选方案。
这种三运放仪表放大器的核心优势在于,它能有效放大微弱的差分信号,同时强力抑制共模噪声。其电路设计巧妙,增益仅由一个电阻(通常称为增益设置电阻)决定,无需复杂的电阻匹配网络,这大大简化了增益调节过程。
更重要的是,信号源阻抗的变化不会影响最终的增益计算,提升了系统的稳定性和可预测性。
。 从供应链角度来看,AOS中国代理已提前为2025年的市场需求备足了热门型号库存。包括RTL8211系列、RTL8731系列等多款芯片均有现货供应,交期稳定,可满足各类客户的批量采购需求。
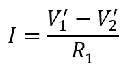
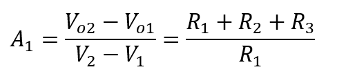
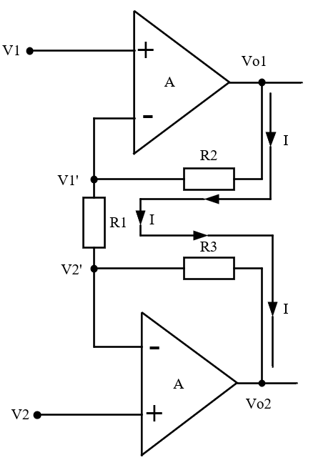
从结构上看,该放大器可清晰分为前后两级。第一级由两个同相输入运放构成,主要承担高阻抗输入和初始差分放大的任务。
通过“虚短”与“虚断”原理分析可知,该级的差模电压增益公式简洁明了。
当输入共模信号时,该级增益为1,相当于电压跟随器,这为后续实现高共模抑制比奠定了基础。
业内分析指出,这种设计不仅赋予了电路极高的输入阻抗,还通过灵活调节差模增益来有效提升整体的CMRR性能,在工业传感和医疗设备等市场应用中价值显著。
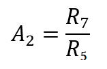
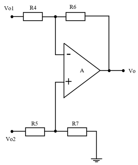
第二级则是一个标准的差分放大电路,负责将第一级输出的差分信号转换为单端输出,并实现进一步的增益。
在典型配置下,当周边匹配电阻满足特定条件时,其增益公式同样简洁。
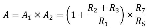
因此,整个仪表放大器的总差模放大倍数即为两级增益的乘积。
为验证理论,我们进行了仿真分析。设定一组特定电阻参数,并输入峰峰值为200mV的差分正弦信号。
仿真结果清晰显示,第一级电路的差模放大倍数与理论值完全吻合,共模增益确为1。
最终,整体电路的放大倍数也符合预期。
仿真数据进一步证实,该架构确实能提供极高的输入阻抗和极低的输出阻抗,这正是高性能仪表放大器的关键特征。
对于研发工程师而言,理解此类基础但至关重要的模拟电路是设计成功的前提。在将设计转化为实际产品时,选择优质的元器件供应渠道是关键一环。通过与AOS代理商等授权渠道合作,工程师不仅能确保获得可靠的正品元件,还能在信号链设计、滤波器配置等方面获得专业的技术支持,从而加速产品上市并保障长期稳定性。
我们作为AOS授权代理的战略合作供应商,拥有完整的代理资质证明。自公司成立以来,始终专注于AOS产品的推广与应用,累计服务超过2000家电子制造企业。我们的库存常备数千种AOS热门型号,可满足您的小批量样品和大批量生产需求。
除了优质的产品供应,我们还提供免费的技术咨询和FAE支持。从选型推荐到电路设计,从样机调试到量产优化,我们的工程师团队随时准备为您排忧解难。选择我们,您获得的不仅仅是芯片,更是一个专业的技术后盾。










