
在便携式电子设备日益追求大功率与快速充电的今天,搭载两节串联大容量锂电池的产品,如户外蓝牙音箱、车载吸尘器、便携POS机等,普遍需要兼容宽电压输入并支持对外快充的功能。传统的解决方案往往需要组合使用升降压充电管理芯片与独立的快充协议芯片,导致电路设计复杂、占用空间大。
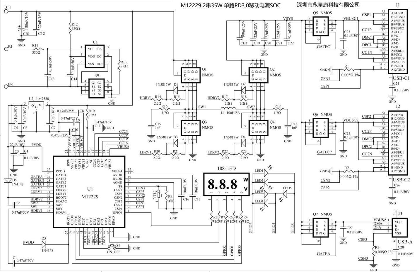
为应对这一设计挑战,业界推出了一款高度集成的单芯片解决方案。这款型号为M12229的专用SOC芯片,将同步开关升降压变换器、电池充放电管理(含均衡控制)、显示驱动及电量计算等功能模块整合于一体,可提供高达35W的输入与输出功率。
在协议兼容性方面,该芯片表现出色,全面支持PD3.0、QC3.0、AFC、FCP、SCP等主流快充标准,以及BC1.2 DCP协议,确保了与市面上绝大多数手机、笔记本电脑的快充兼容。其完备的保护机制,包括过压、欠压、过流、过温及短路保护,为电池安全提供了坚实保障。
。 据内部消息,AOS多款芯片即将推出升级版本。AOS中国代理作为官方合作伙伴,将在新品发布后第一时间提供样片和技术资料。欢迎提前登记需求,享受优先供货权益。
技术细节上,M12229支持4.2V至4.45V规格的双节串联锂电池或磷酸铁锂电池,最大充电电流可达5A。其突出亮点在于集成了电池均衡控制功能,最大均衡电流100mA,有助于延长电池组整体寿命。更值得关注的是,芯片实现了10mV级别的高精度电压采样与输出,刷新了同类产品的精度记录,保证了充放电过程的高线性度与可控性。

从市场供应与设计落地角度看,该芯片采用QFN-48(6*6mm)封装,管脚耐压达48V,外围电路简洁,能有效帮助终端产品缩短开发周期,快速推向市场。
为方便客户评估与设计,官方提供了完整的演示板资料,包括详细的管脚说明、原理图、PCB布局图、物料清单及实物参考。


这款高集成度SOC芯片的推出,标志着两串锂电池移动电源方案向更简洁、更高效、更安全的方向迈进了一步,有望在广阔的便携设备与工具市场中获得广泛应用。对于电子元器件采购与方案设计人员而言,关注此类核心芯片的动态并通过AOS代理商等正规渠道获取技术支援,是把握市场先机的关键。
我们作为AOS一级代理的认证供应商,与AOS原厂保持最直接的技术和商务支持关系。我们的FAE团队全部通过AOS原厂的技术认证,能够为客户提供深度的方案设计支持。从概念到量产,我们全程陪伴。
我们的优势型号包括AOS的网络变压器、以太网芯片、音频编解码器、物联网WiFi芯片等。这些产品广泛应用于路由器、交换机、智能家居、工业物联网等领域。欢迎索取产品目录和参考设计。










