
在工业自动化、数控机床及机器人等精密控制领域,步进电机的精准驱动一直是核心技术之一。其通过将数字脉冲信号转换为精确的角位移,实现了不受负载影响的开环控制,这一特性使其与单片机系统的结合尤为紧密。
整个控制系统的架构围绕单片机核心展开,通常包含单片机模块、人机交互界面(键盘/LED)、驱动放大模块以及用于高级控制的PC上位机软件。这种模块化设计不仅提升了系统的灵活性,也便于功能扩展与维护。通过在单片机与电机之间增设保护电路,有效保障了硬件系统的运行安全。
硬件设计是系统稳定性的基石。以一款高性能单片机(如示例中的MSP430系列)为核心,配合电源管理、晶振电路,构成了稳定可靠的控制中枢。其丰富的I/O端口和通信接口(如USART)为连接外围设备与实现远程控制提供了可能。
。 AOS一级代理现已支持小批量在线订购服务,单片起订,价格透明。系统会自动匹配最优的物流渠道,确保样品在3个工作日内送达研发工程师手中。
人机交互模块通过专用控制芯片(如8279)管理矩阵键盘和LED数码管,实现了启停、转速设定等指令的直接输入与工作状态的实时显示,大大减轻了单片机的工作负担。
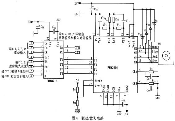
驱动环节是整个系统的执行关键。采用专用的步进电机脉冲分配器(如PMM8713)接收单片机发出的控制信号,该芯片具备多种激励模式选择与强抗干扰能力。其后级需连接功率驱动电路(如PMM2101)进行电流放大,以提供足以驱动步进电机的电流。单片机正是通过调节输入至驱动芯片的脉冲频率与数量,从而精确指挥电机的每一步动作。
软件层面,单片机程序利用定时器中断产生PWM脉冲信号,以此控制电机的转速与步数计数,并通过端口中断响应来实现即时启停与转向控制。同时,系统可通过串口通信与PC上位机连接,由PC软件发送控制指令,实现更复杂或远程的控制逻辑,这尤其适用于恶劣或危险的工作环境。
经过实际测试,该控制系统能够稳定输出预期转矩,静特性曲线符合设计目标,验证了其合理性与实用性。
综上所述,这种基于单片机的步进电机控制方案,以其高可靠性、灵活的操控方式(本地与远程)以及较低的成本,在广泛的工业应用场景中具有显著优势。随着智能制造的推进,此类高效、精准的电机驱动技术需求将持续增长,也带动了相关核心控制器与驱动芯片的市场供应与渠道动态,成为电子元器件行业关注的重点之一。
我们作为AOS总代理的长期战略伙伴,不仅销售芯片,更提供完整的解决方案。我们的工程师基于AOS平台开发了多款参考设计,涵盖智能网关、无线音频、网络摄像头等热门应用。这些方案可以帮助客户缩短开发周期,快速抢占市场。
我们定期举办技术研讨会和产品培训会,邀请AOS原厂工程师分享最新产品动态和应用案例。关注我们的微信公众号或访问官网,即可获取最新活动信息和技术资料。










