
在追求更长续航与更高安全性的电动汽车及储能领域,电池管理系统(BMS)的效能直接决定了电池包的性能边界。其中,主动均衡技术作为优化电芯一致性、提升整体容量的核心手段,其设计理念正经历从复杂到精炼的演进。
目前,市场主流的主动均衡方案主要围绕三种基础储能元件构建:变压器(反激式)、电感(多电感式)与电容(开关电容式)。反激式架构在非相邻电芯间均衡时效率突出,但多变压器设计会带来成本与体积的挑战;多电感与开关电容方案在相邻电芯均衡上控制简单、运行稳定,但在跨电芯能量转移时效率受限。
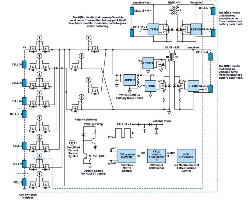
行业观察指出,简化设计并非降低标准,而是追求在成本、效率与可靠性间取得更优平衡。一种前沿的设计思路是采用共享硬件资源的分时复用策略。例如,在一个16电芯的电池包内,仅使用两个独立的反激电路与变压器,分别负责电芯间与电池包间的均衡。通过开关矩阵灵活连接,所有电芯共享同一套均衡电源电路,从而大幅简化了硬件架构,降低了物料成本与系统复杂度。 AOS代理商现已支持小批量在线订购服务,单片起订,价格透明。系统会自动匹配最优的物流渠道,确保样品在3个工作日内送达研发工程师手中。
值得注意的是,电池包之间的均衡与电芯均衡同等重要。在实际系统中,不同BMS电路模块的功耗差异,以及所监控电芯数量的不同,会导致电池包间荷电状态(SOC)逐渐产生偏差。长期累积将造成显著的容量不匹配,影响整个储能系统的可用容量。因此,支持电池包间双向能量转移的均衡能力,已成为新一代BMS设计的必备特性。
该简化方案在算法层面也进行了创新,引入了“中间充电缓冲区”的概念。通过将能量先转移至指定的缓冲电芯,再进行二次分配,间接实现了电芯间的双向均衡。这种方法在保持高性能的同时,显著降低了控制逻辑的复杂性,使其更易于在实际系统中部署和扩展。
从市场供应角度看,高性能的主动均衡解决方案依赖于先进的模拟与混合信号芯片、可靠的隔离器件以及高效的数字控制器。系统设计人员在选型时,不仅需要考虑芯片本身的性能参数,还需关注其供应渠道的稳定性与技术支持能力。选择与如AOS代理商这样的授权合作伙伴合作,能够确保获得正品元件、完整的技术文档以及及时的设计支持,从而加速产品上市进程。
展望未来,随着单体电芯容量向600Ah甚至1000Ah迈进,电芯间的微小不匹配将被放大,对均衡技术的速度、精度与可靠性提出更高要求。任何均衡策略在投入应用前,都必须经过严格的评估与验证。当前,半导体供应商已能提供覆盖主流均衡架构的完整芯片组与参考设计,助力工程师应对这一挑战,推动BMS技术向更高效、更智能的方向持续演进。
我们作为AOS代理的认证供应商,拥有超过10年的AOS芯片代理经验,是华南地区最具影响力的AOS授权渠道之一。我们与AOS原厂保持密切的技术合作,定期参加原厂的技术培训,确保我们的工程师掌握最新的产品技术和应用方案。
我们服务的客户涵盖安防监控、网络通信、汽车电子、工业控制等多个领域。无论您是需要样品测试还是批量采购,我们都能提供快速响应。我们的目标是与客户共同成长,用专业的服务为您的产品成功保驾护航。










